CN

Stock Code:800328

QINGDAO JIAEN SEMICONDUCTOR CO., LTD

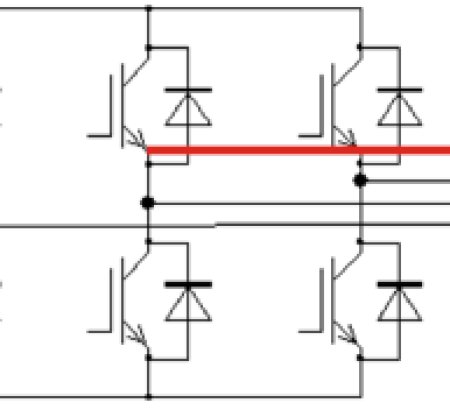
  • PARALLEL USE OF IGBTS
    2023.10.24

    PARALLEL USE OF IGBTS

    Using IGBTs in parallel to form switching devices can enable the entire system to obtain a higher rated current. However, some important issues must be considered when designing a parallel system, such as module characteristics, drive circuits and circuit layout.

    VIEW MORE+
  • AVALANCHE FAILURE MECHANISM OF MOSFET
    2023.10.17

    AVALANCHE FAILURE MECHANISM OF MOSFET

    In this case, the avalanche event produces a drain current that is larger where the electric field is stronger. The latch-up effect is caused by the parasitic NPN Bipolar Junction Transistor (BJT) in the power MOSFET. If the device is constructed such that the electric field near the parasitic BJT is high, a large amount of current will flow through its base resistor, creating a voltage between the base and emitter. If this voltage reaches a certain threshold, the bipolar transistor turns on and most of the avalanche current flows through it, with potentially damaging effects since there is no way to control the current.

    VIEW MORE+
  • SHOWDOWN, THE TRUE FACE OF MOS TUBE!
    2023.10.11

    SHOWDOWN, THE TRUE FACE OF MOS TUBE!

    Under normal circumstances, MOS, which is commonly used for high-end driving, needs the gate voltage to be greater than the source voltage when it is turned on. When the MOS tube for high-end driving is turned on, the source voltage is the same as the drain voltage (VCC), so at this time the gate The pole voltage is 4V or 10V greater than VCC.

    VIEW MORE+
  • Switching Characteristics Of IGBT Power Modules
    2023.09.26

    Switching Characteristics Of IGBT Power Modules

    The switching characteristics of the IGBT power module are determined by its internal structure, internal parasitic capacitance and internal and external resistance. In an ideal state, we only need a zero-power voltage signal to be applied to the MOS base to activate the switch. But in practice, the charge stored in the capacitor inside the component must be released, so a driving power signal with the same switching frequency is required. In addition, the commutation process is also affected by parasitic inductance. Parasitic inductance exists in the port loop of the module and inside the module, as well as in the connection lines connecting the transistor chips.

    VIEW MORE+
  • Power Factor In IGBT Module Applications
    2023.09.21

    Power Factor In IGBT Module Applications

    When the frequency converter tractions the motor, the power factor of the motor is positive, the motor absorbs active energy, and the active energy is sent to the motor, and the power factor of the motor is positive.

    VIEW MORE+
  • Detailed Explanation Of IGBT Module Parameters - Overall Module Parameters
    2023.09.13

    Detailed Explanation Of IGBT Module Parameters - Overall Module Parameters

    This section describes the electrical characteristic parameters related to the mechanical structure of the IGBT module, including insulation withstand voltage, main terminal resistance, stray inductance, and DC voltage capability.

    VIEW MORE+

+86 13792436358