CN

Stock Code:800328

QINGDAO JIAEN SEMICONDUCTOR CO., LTD

  • IGBT LIMIT VALUE
    2023.12.08

    IGBT LIMIT VALUE

    In the file data sheet, the limit values are given for each component of the IGBT module (IGBT, diode, housing, temperature sensor, etc.). All IGBT and diode limit values are given in a circuit (branch), regardless of how many transistor modules the circuit (branch) contains and whether the number of IGBT and diode chips is connected in parallel.

    VIEW MORE+
  • IGBT GATE DRIVE CONSIDERATIONS
    2023.11.28

    IGBT GATE DRIVE CONSIDERATIONS

    The structure of an IGBT transistor is much more complex than that of a MOSFET or bipolar junction transistor (BJT). It combines the characteristics of both devices and has three terminals: a gate, a collector, and an emitter. The device behaves like a MOSFET in terms of gate drive. Its current-carrying path is very similar to the collector-emitter path of a BJT. Figure 1 shows the equivalent device circuit of an n-type IGBT.

    VIEW MORE+
  • EFFECT OF TEMPERATURE CHANGES ON MODULE LIFE
    2023.11.21

    EFFECT OF TEMPERATURE CHANGES ON MODULE LIFE

    Thermal cycling changes within all power modules cause module aging. The reason is that the thermal expansion of the materials used is different, so the thermal stress between them can cause connection fatigue or even breakage. The service life of the module and the number of cycles it can withstand temperature changes will decrease as the amplitude T of the temperature change increases. In the frequency range from a few Hz to a few hundred Hz, the change in power consumption is not caused by the transient thermal impedance of the chip. It only causes a small temperature fluctuation of the module chip. Although at this frequency, T is not so small and has low energy, it will be absorbed by the elastic filler and has little impact on the aging of the module. It has no impact on the service life. When working at a few hertz, and the load changes in the range of a few seconds and generates high temperatures, such as traction drives, elevators and intermittent pulse applications, the temperature change load effect will occur inside the module, which will affect the connection belt inside the module.

    VIEW MORE+
  • DOUBLE PULSE TEST OF IGBT
    2023.11.14

    DOUBLE PULSE TEST OF IGBT

    The Significance Of IGBT Double Pulse Test Compare the parameters and performance of different IGBTs; Obtain the parameters of the IGBT turn-on and turn-off process;

    VIEW MORE+
  • IGBT-DESATURATION PROBLEM
    2023.11.07

    IGBT-DESATURATION PROBLEM

    IGBT - Desaturation Problem This is the output characteristic curve of a certain product. You can see that the IGBT working area is divided into three parts:

    VIEW MORE+
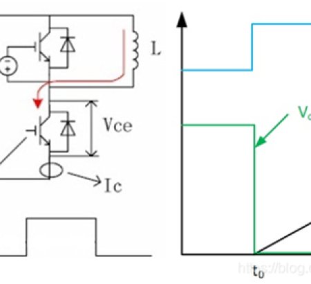
  • DEFINITION OF STRAY INDUCTANCE INSIDE IGBT MODULE
    2023.10.31

    DEFINITION OF STRAY INDUCTANCE INSIDE IGBT MODULE

    The working principle of the IGBT half-bridge inverter circuit and the voltage and current waveforms when IGBT1 is turned on and off are shown in Figure 1. Lσ represents the sum of all stray inductances (capacitors, busbars, IGBTs) in the entire commutation circuit (within the stripe area) module).

    VIEW MORE+

+86 13792436358