Power Factor In IGBT Module Applications
When the frequency converter tractions the motor, the power factor of the motor is positive, the motor absorbs active energy, and the active energy is sent to the motor, and the power factor of the motor is positive.

When the motor is braking, the power factor of the motor is negative, and the motor feeds back active energy to the frequency converter.

Power factor in applications----back-to-back converters:
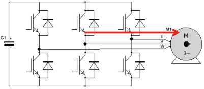
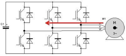
The figure below shows a back-to-back converter traction motor. If the power grid is regarded as the load of the rectifier side converter, then:
1. When the rectifier side absorbs active energy from the power grid, the power factor of the power grid is negative.
2. When the rectifier side feeds back active energy to the grid, the power factor of the grid is positive.
(Please note that when discussing power factor, the load must be clearly defined first. Generally, we discuss the power factor of the load.)
The rectifier side absorbs active energy from the grid.

The rectifier feeds back active energy to the grid
Power factor in application----APF or SVG:
The picture below shows an APF or SVG, which is a device hung directly on the power grid. Its goal is to filter out harmonics of the power grid (APF) or compensate reactive power (SVG) for the power grid.
If this device is used as a load on the power grid, the power factor of the device is always 0.
This sentence can also be said conversely: taking the power grid as the load of the device, the power factor of the power grid is always 0.
Because this device only exchanges reactive energy with the grid, not active energy.
